|
执行标准 |
Q/PBF02-2006 HG/T21562-94 (或按合同要求) |
|
公称压力PN |
PN≤2.5MPa |
|
法兰尺寸 |
HG20592~HG20635-97 GB/T9113.1-2000 GB/T9119-200 |
|
钢管标准 |
碳钢20# |
|
压力试验 |
GB/T13927 |
|
衬里层检验 |
测厚仪、电火花检验 |

|
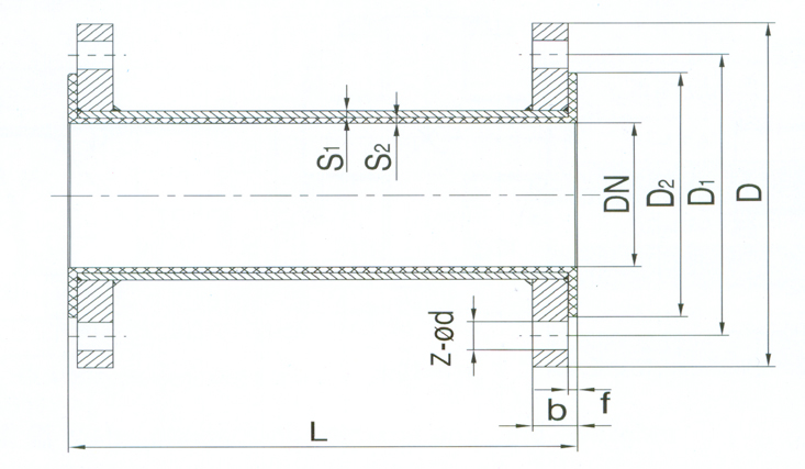
公称通径 DN |
主要外形尺寸 |
衬里厚度 S2 |
||||||||
|
D |
D1 |
D2 |
b |
f |
Z-ød |
钢管尺寸 |
||||
|
PN1.0MPa |
外径 |
壁厚S1 |
推挤成型 |
模压成型 |
||||||
|
25 |
115 |
85 |
65 |
14 |
2 |
Ø4-14 |
32 |
3 |
2 |
5 |
|
32 |
140 |
100 |
76 |
16 |
2 |
Ø4-18 |
38 |
3 |
2 |
5 |
|
40 |
150 |
110 |
84 |
16 |
3 |
Ø4-18 |
48 |
3.5 |
2 |
5 |
|
50 |
165 |
125 |
99 |
16 |
3 |
Ø4-18 |
57 |
3.5 |
2.5 |
5 |
|
65 |
185 |
145 |
118 |
18 |
3 |
Ø4-18 |
73 |
4 |
2.5 |
5 |
|
80 |
200 |
160 |
132 |
18 |
3 |
Ø8-18 |
89 |
4.5 |
2.5 |
5-6 |
|
100 |
220 |
180 |
156 |
20 |
3 |
Ø8-18 |
108 |
4.5 |
3 |
5-6 |
|
125 |
250 |
210 |
184 |
22 |
3 |
Ø8-18 |
133 |
4.5 |
3.5 |
5-6 |
|
150 |
285 |
240 |
211 |
22 |
3 |
Ø8-22 |
159 |
4.5 |
4 |
6-8 |
|
200 |
340 |
295 |
266 |
22 |
3 |
Ø8-22 |
219 |
6 |
4-5 |
6-8 |
|
250 |
395 |
350 |
319 |
24 |
3 |
Ø12-22 |
273 |
8 |
5 |
8-10 |
|
300 |
445 |
400 |
370 |
26 |
4 |
Ø12-22 |
325 |
8 |
5 |
8-10 |
|
350 |
505 |
460 |
429 |
26 |
4 |
Ø16-22 |
377 |
10(8) |
|
8-10 |
|
400 |
565 |
515 |
480 |
26 |
4 |
Ø16-26 |
426 |
10(8) |
|
10 |
|
450 |
615 |
565 |
530 |
26 |
4 |
Ø20-26 |
480 |
10(8) |
|
10 |
|
500 |
670 |
620 |
582 |
28 |
4 |
Ø20-26 |
530 |
10(8) |
|
10 |
|
600 |
780 |
725 |
682 |
28 |
5 |
Ø20-30 |
630 |
(8) |
|
10 |

浙公网安备 33032602100169号